Societates Welding Flangae altum pressionem nexus pipelines retexit, cum vires superiores cum inconsutilibus dynamicis fluidis integrando, machinatus est ut singularis effectus in compacto, summo sudes applicationes liberaret. Haec LABIUM ad fistulas parvas diametros destinata utitur configuratione nervum glutino, quod in ipsa LABIUM iuncturam pactionem encapsulat, externae pactionis protrusiones removens et resistentiam extenuans — utilitas critica in systematibus in quibus turbidum reductionis et hygiene praecipua sunt. Occulta societas non solum rivorum purgatio et inspectio in ambitus sterilibus sicut plantarum pharmaceuticae vel cibi processui, sed etiam integritatem structuralem auget, resistens vibrationi et pressioni exurgit in oleo et gasi reactoribus, reactoribus chemicis, vel lineis vaporis altus pressuris. Subtilitas ex chalybe carbonis ficto vel immaculato ferro, repugnantiam corrosionis cum eximiis distrahendo viribus componit, dum effluxus probationem obsignans etiam sub temperaturis et pressionibus extremas.
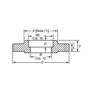
| Diam range | DN15(1/2")-DN150(6") |
| Pressura rating | 1.6-16MPa |
| Testimonium | PED, AD2000, EAC, ABS, BV, DNV, NORSOK M650, ISO9001, ISO14001, ISO45001, etc. |
| Munus introductio | Copula glutino nexus, consilium occultae pactionis resistentiae fluunt, Optimized pro parvis diametris applicationes altae pressurae, Superior effectus signandi. |
| Applicationem agri | Locum applicabile ad ligamenta fistulae in longum spatium oleum et fistulas gasi, tabulata remote, apparatum chemicum, systemata curationis aquae, cibi et industriae pharmaceuticae, condicionibus multiplicibus operandi accommodatae. |
| stipare | Sarcinam dignam, Plywood Causae vel grabatum vel sicut per clientium postulationem |
| Featured Products | I, Parvus batch minimum ordinis. |
Consilium compactum simpliciorem institutionem in spatiis strictis, dum robustus nexus obsistit expansioni cyclicae scelerisque, aptam facit ad littus suggestus, potentiae turbines generationis et systemata hydraulica. Cum potentia infirma puncta eliminat et cyclos sustentationem reducit, haec LABIUM efficit industrias ad salutem prioritandam sine efficientia detrimento. Subnixus obsequio cum ASME B16.5 signis et experimentis rigidis non perniciosis, fidem in operationibus missionum criticarum praestat. Ad fabrum pactionem quaerimus, summus pressus solutionem quae cum fluido optimiizatione firmitatem in matrimonium ducit, nervus Welding Flange est ultima electio. Elevate infrastructuram tuam hodie cum nostris labris subtilitate machinatis - in qua innovatio mollitiae occurrit, ut systemata tua ad amussim, salutem et indeclinabilem fiduciam perficiat. Excellentiam elige, patientiam elige, et potentiam tuam pipeline transform
Ex rudi materia ad ultimam traditionem rigorem moderatum servamus in omni gradu ad firmitatem, observantiam et constantiam obtinendam.
01
02
03
04
05
06
07
08
09
10
11
12
