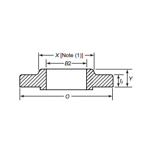
Lapsus in Flange lapis angularis solutionum fistulae cost-efficens stat, simplicitatem iungens cum fidelitate ad occurrendum rationum pressionum exigentiis. Designata ad integrationem sine labore, haec flange super fistulam labitur et munitur per vittam pugillam, institutionem streaming, cum labore et sumptuum materialium minimising, specimen pro inceptis budget-consciis sine ullo discrimine perficiendi. Levis eius superficies signatio (FF) in applicationibus non-toxicis, humilibus pressuris, ut retia municipalia, systemata HVAC, et fistulae industriales generales, firmatae concavi-convexis (MF) firmatae sunt, facies integritatem obsignationis auget ad ambitus paulo plus exigendos.
| Diam range | DN15(1/2")-DN3000 (119") |
| Pressura rating | PN6-PN16 |
| Testimonium | PED, AD2000, EAC, ABS, BV, DNV, NORSOK M650, ISO9001 ISO14001, ISO45001, etc. |
| Munus introductio | Simplex compages iuncta, solutio cost-efficax, Facilis institutio, FF (Flat Face) pro instrumentis non-toxicis low-presse, MF (male-female) ad signationem auctam. |
| Applicationem agri | Locum applicabile ad ligamenta fistulae in longum spatium oleum et fistulas gasi, tabulata remote, apparatum chemicum, systemata curationis aquae, cibi et industriae pharmaceuticae, condicionibus multiplicibus operandi accommodatae. |
| stipare | Involucrum utile, Plywood Causae vel grabatum vel sicut per clientium postulationem |
| Featured Products | I, Parvus batch minimum ordinis. 2、Fast partus 3、Customized production; |
Ex durabili carbonis chalybe vel immaculato ferro fictus, corrosioni et accentus mechanici resistit, eamque versatilem electionem facit ad industrias vagandi a cibo processus ad fabricam chemica, ubi hygiene et facilitas sustentationis prioritizata sunt. Foedus, leve consilium simplificat retrofittationem et alignment, reducendo tempus down tempore in systematis expansionibus vel reparationibus. Utrum usus in irrigationibus agriculturae, facultatibus pharmaceuticis, vel limbis marinis, Lapsus In Flange diversis calculis compaginem adaptat, obsequens cum ASME et EN signis. Cum parabilis conpensat machinationem robustam, permittit fabrum ad optimize infrastructuram gratuitam sine salute sacrificantis. Tuam ratiociniis pipelines hodie cum nostro Labe in Flanges erige - ubi simplicitas vires obviat, qua te ad mundiorem fabricandum, faciliorem conservandam et cum fiducia operandum. Elige efficientiam, elige fidem, et pipeline tuum hodie infrastructuram transform
Ex rudi materia ad ultimam traditionem rigorem moderatum servamus in omni gradu ad firmitatem, observantiam et constantiam obtinendam.
01
02
03
04
05
06
07
08
09
10
11
12
