Lapis Coniuncti Flangi flexibilitatem in umbilicis systematibus redimit, dynamicam solutionem offerens pro dilatatione et contractione scelerisque tractandi extollit dum discontationem inconsutilem in applicationibus humili pressuris aptat. Coniungens anulum robustum flange cum componentibus pivoting flangentibus, hoc consilium insitum admittit motus axialis fistularum continentem, utiliter absorbens vices temperaturae inductae sine integritate structurae detrimento. Praesto in duabus conformationibus-Batt Weld Ringo Type (PJ/SE) ad compages altas redacta et per plana Weld Ringonis Type (PJ/RJ) ad simpliciorem institutionem — pertinet ad diversas necessitates operationales servato Leak-probatione perficiendi. Machinatum ex ferro carbonii vel ferro immaculato, LABIUM corrosioni et machinali induti resistit, in industrias adhibendo ut processus chemici, aquae curationis et cibi productionis, ubi frequentes sustentationes vel apparatum upgrade sunt exercitationis..
| Diameter | DN502")-DN200080") |
| Pressura | 0.6-2.5MPa |
| Testimonium | PED, AD2000, EAC, ABS, BV, DNV, NORSOK M650, ISO9001, ISO14001, ISO45001, etc. |
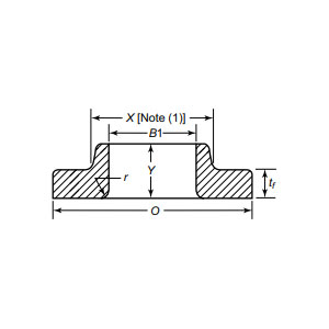
| Munus introductio | LABIUM cum anulo et langore deducta, axialem obsessionem pipeline permittit et reducit expansionem thermarum innixi. Genera: anulus glutinous (PJ/SE) et anulus glutinus planus (PJ/RJ). Apta ad pressuram humilis pipelines crebris disassembly requirentibus. |
| Applicationem agri | Locum applicabile ad ligamenta fistulae in longum spatium oleum et fistulas gasi, tabulata remote, apparatum chemicum, systemata curationis aquae, cibi et industriae pharmaceuticae, condicionibus multiplicibus operandi accommodatae. |
| stipare | Sarcinam dignam, Plywood Causae vel grabatum vel sicut per customers postulationem |
| Featured Products | I, Parvus batch minimum ordinis. |
Mechanismus rotationis simplificat noctis in conventu, laboris impensas et tempus minuens in systematis sicut machinae hydraulicae, HVAC reticulas, vel modulationes industriales. LABIUM motus ab accentus pipeline segregans, spatium gasketarum et seram extendit, diuturnum tempus submittentes expensas subrogando. Ex suggestis remotis quaerunt scelerisque mercedis pharmaceuticae plantae indigentibus sterilibus, facilibus ad mundis connexionibus, gremium iuncturae Flangae obsequium praebet cum ASME et EN signis dum aptando ad evolutionem postulatorum operationum. Dura probatio et versatilis compatibilitas suffultus, fabrum efficit ut consilio molles, infrastructure futuri prompti. Accinge tibiae hodiernae systemata cum nostro gremio Coniuncta Flanges — ubi praecisio machinalis vires adaptivas incidit, ut operationes tuas ad dynamicas ambitus vigere possit. Elige flexibilitatem, elige patientiam, et novam efficientiam resera
Ex rudi materia ad ultimam traditionem rigorem moderatum servamus in omni gradu ad firmitatem, observantiam et constantiam obtinendam.
01
02
03
04
05
06
07
08
09
10
11
12
