Falsa 90 Gradus Thread Cubitus in systematibus pipelineis efficientiam remittit, praebens solutionem robustam pro accuratis 90° directionalibus mutationibus, dum operam navat, institutionem et sustentationem per nexum linum designans. Ex summo gradu ficti carbonis chalybe vel immaculati ferro ficti, hic cubitus eximiam vim cum resistentia corrosioni coniungit, faciens id specimen systematum fluidi humilis pressionis ubi certae et aptabilitas praecipuae sunt. Fines staminei efficaces conventus et disgregatio sine instrumentis specialibus, sustentationem consuetudines in applicationibus simpliciores efficiunt sicut retiacula aquarum distributiones, systemata HVAC, ac fovendae industriae irrigationes. Consilium compactum stricta spatia navigat cum facilitate, optimizing fluxus efficientiae, dum minuit turbidum et pressionis guttas — utilitas critica in ambitibus angustiis sicut machinatio marina, processus cibi, et facultates pharmaceuticae..
| Magnitudo | DN15(1/2")~DN600(24") |
| Pressura Level | Classis 2000~6000 |
| Post Type | NPT, BSPP, BSPT |
| Testimonium | PED, AD2000, EAC, ABS, BV, DNV, NORSOK M650, ISO9001, ISO14001, ISO45001, etc. |
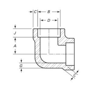
| Munus introductio | Usus est pro 90° directione conversionis fistularum cum lino nexu, facile ad disgregatos et conservandos, apta ad systemata fluidorum demissa pressuris apta. |
| Applicationem agri | Disposita est summus pressio systematum pipelinerum, ad nexum et gubernationem partium clavis apta, ut expolitio petroleum, armorum potentia nuclearis, apparatum chemicum, vasorum coquentium, etc. |
| stipare | Sarcinam dignam, Plywood Causae vel grabatum vel sicut per clientium postulationem |
| Featured Products | I, Parvus batch minimum ordinis. |
Machinator ad resistendum fluctuantibus temperaturis et accentus mechanicis, hoc cubitus in systematis hydraulicis, moderandis pneumaticis, deprimendo, et demissae pressurae vaporis lineas, tempus et diuturnum tempus minuendi operandi impensas efficit. Per streamlining complexu fuso et eliminando defectum potentiae puncta, efficit industrias ut inconsutilem fluidum administrationem servandi etiam in spatiis layout spatiis restrictis. Pro fabrum prioritizing diuturnitatem, flexibilitatem, et efficaciam sumptus, fictae 90 Gradus Thread Cubitus stat pro socio credito. Instrue infrastructuram tuam hodie ad cubita subtilitate fictis - ubi aspera observantia occurrit intelligenti consilio, dum systemata tua emendate operantur sub hodiernae industriae exigentiis. Elige constantiam, elige efficientiam, et reticulas pipelines transform cum solutione ad sustinendum aedificata.
Ex rudi materia ad ultimam traditionem rigorem moderatum servamus in omni gradu ad firmitatem, observantiam et constantiam obtinendam.
01
02
03
04
05
06
07
08
09
10
11
12
