Threaded Flangae verteret connectivity pipelines offerens solutionem securam, pacatam liberam ad tibias linas iungendas, eamque facit ultimam electionem pro ambitibus ubi salus et aptabilitas non negotiabiles sunt. Haec LABIUM compagem compaginatam cum cura internae filo machinatur cum fistulis ferro galvanisatis vel systematibus ubi glutino prohibetur — ut flammabiles, explosivae, vel maxime sensitivae uncinis industrialibus. Intentio eius porttitor ancipitia ignitorum cum glutino sociata eliminat, obsequium servans cum protocollis arctioribus salutiferis dum sigillum robustum, liberorum probatio- nem, altum pressionem postulat. Connexio staminea permittit celerem institutionem et disconvenientiam, permittit sustentationem iunctos ad troubleshoot vel systemata upgrade sine instrumento speciali, minuendo tempus in operationibus criticis sicut processus chemicus, oleum et gas distributionem, vel productionem pharmaceuticam..
| Magnitudo | DN15(1/2")-DN600(24") |
| Pressura Rating | 0.6- 4.0MPa |
| Temperatus dolor | -45℃ ad 260℃ |
| Testimonium | PED, AD2000, EAC, ABS, BV, DNV, NORSOK M650, ISO9001, ISO14001, ISO45001, etc. |
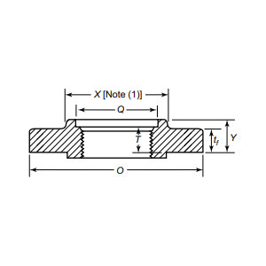
| Munus introductio | LABIUM stamineum cum fistula fila per internam stamina connectit, glutino eliminato. Specimen pro galvanized ferro tibiis vel ambitibus glutino restrictis (flammabiles/explosivae). Features faciles institutionem et sustentationem flexibilem, praecipue aptam ad mixturam ferro et aliis materiis cum pauperioribus weldability. |
| Applicationem agri | Locum applicabile ad ligamenta fistulae in longum spatium oleum et fistulas gasi, tabulata remote, apparatum chemicum, systemata curationis aquae, cibi et industriae pharmaceuticae, condicionibus multiplicibus operandi accommodatae. |
| stipare | Involucrum utile, Plywood Causae vel grabatum vel sicut per clientium postulationem |
| Featured Products | I, Parvus batch minimum ordinis. |
Specimen materiae ad provocationes glutino obnoxias - sicut mixtura chalybea - Filum Flangae conservat integritatem materialem, vitans fragilitatem vel distortionem ex calore. Eius corrosio-repugnans constructio, quae in chalybe carbonis vel incorrupta ferro praesto est, longaevitates etiam in ambitus asperis efficit, ab extrahendis suggestis ab litore ad systemata cibi gradus sanitationis. Rigido obsequio cum signis globali subnixus, haec flange fidem praestat in applicationibus summo sudibus, inclusa systemata hydraulica, pipelines cryogenicas, et translationes fluidi combustibiles. Pro industria prioritizing salutem, efficientiam, et sustentationem sumptus-efficax, Flangae sequelae solutio est mutationis. Elevate hodie infrastructuram vestram cum praemio nostro Thread Flanges-in qua innovatio sine discrimine salutis occurrit, ut systemata vestra in condicionibus flagitantibus perfecte operetur. Elige confidentiam, elige diuturnitatem, et potentiam tuam pipeline reducere.
Ex rudi materia ad ultimam traditionem rigorem moderatum servamus in omni gradu ad firmitatem, observantiam et constantiam obtinendam.
01
02
03
04
05
06
07
08
09
10
11
12
